作业主体包含 “TSC 模拟日志(附录)+ 报告撰写(7 个章节)”,按照 “先做模拟(拿数据)→ 再写报告(用数据)” 的过程,所有步骤都对应6 份文档(重点是《SimCreate User Guide》《Assessment Workbook》《P&ID.pdf》)
阶段 1:TSC 模拟操作(获取附录 “行动日志”,作业必交)
这一部分暂时执行不了,我在完成 cold start 及前两步开启阀门以后,液面一直不变化,因此 LL alarm就没有消除,无法进行后续的操作.
另外,demo版无法保存项目日志,先完成后续不需要这个软件的步骤好了.
目的:记录 “稳态恢复 / 紧急停机” 的操作过程,放在附录里,占作业格式分,操作不难,跟着点就行。
依据文档:《SimCreate User Guide》(启动 / 保存 / 日志)、《SIM 8000 Three Phase Separator – Assessment Workbook.pdf》(模拟场景要求)
步骤 1:打开 TSC SimCreate 软件(第一次操作)
- 操作目的:启动软件,准备选择三相分离器模型
- 具体操作:
- 从电脑桌面找到 Blue R 图标(TSC SimCreate Run 软件,英文:TSC SimCreate Run Software),双击打开;
- 若弹出 “注册提示(Registration Prompt)”,选 “NO”(先运行演示版,后续可联系学校激活,不影响模拟);
- 进入 “启动助手(Launch Assistant)” 界面,左侧选 “Local(本地模式,英文:Standalone Mode)”—— 不用联网,单人就能操作
- 英文学术名词:TSC SimCreate Run Software(TSC 模拟运行软件)、Launch Assistant(启动助手)、Standalone Mode(本地模式)
- 注意事项:若桌面没有图标,从 “Start → Programs → TSC Simulation → SimCreate” 里找(对应《SimCreate User Guide》4.1 节)
步骤 2:选择 “三相分离器模型” 并启动(冷启动场景)
- 操作目的:进入作业要求的 “冷启动(Cold Start)” 场景,模拟从停机到稳态的过程
- 依据:《Assessment Workbook》1.2 节 “Start-up Assessment” 要求选 “Cold Start”
- 具体操作:
- 在左侧 “Local” 列表里,找到并点击 Sim 8000 Three Phase Separator(三相分离器模型,英文:3-Phase Separator Model);
- 右上角 “Start Type” 下拉框选 “Cold Start(冷启动,英文:Cold Start)”—— 对应 “从停机排空状态启动” 的作业要求;
- 点击右下角 “Start Model”,等待 30 秒,虚拟工厂(Virtual Plant)会自动弹出
- 英文学术名词:Cold Start(冷启动)、Virtual Plant(虚拟工厂)
- 注意事项:若弹出 “多显示器选择(Multi Monitor)”,直接点 “OK”(默认用 1 个显示器)
步骤 3:开启 “自动保存” 和 “日志记录”(避免操作丢失)
- 操作目的:自动记录你的每一步操作,后续导出就是 “行动日志”
- 依据:《SimCreate User Guide》6.3 节 “AutoSave”
- 具体操作:
- 点击顶部菜单栏 “File → AutoSave”,弹出 “AutoSave 设置框”;
- “AutoSave Frequency(自动保存频率)” 设为 “00:05:00”(每 5 分钟保存 1 次);
- “Slots(保存槽位)” 设为 “10”(最多保存 10 个版本,防止覆盖);
- 勾选 “Enable(启用)”,点击 “OK”—— 软件会自动保存你的操作,不怕中途出错。
- 英文学术名词:AutoSave(自动保存)、AutoSave Frequency(自动保存频率)、Slots(保存槽位)
- 注意事项:一定要开 AutoSave,否则操作没记录,附录就没内容了!
步骤 4:执行 “冷启动流程”(按文档步骤点,记录操作)
- 操作目的:模拟 “从停机到稳态”,记录阀门 / 泵的操作,对应《Start Up with Purge Procedures.pdf》的启动步骤
- 依据:《SIM 8000 Three Phase Separator – Start Up with Purge Procedures.pdf》4.1-4.5 节
- 具体操作(按顺序点,记在 Excel 里,后续整理成日志):操作序号操作内容(中文)对应设备代码(P&ID 图里的标签)英文操作描述操作结果1打开原油进料手动阀V101_01、V101_03(P&ID 图左侧进料管线)Open Inlet Hand Valves (V101_01/V101_03)阀门变绿色(Open 状态)2打开进料 ESD 阀XZV101_02(进料管线上的 ESD 阀)Open Inlet ESD Valve (XZV101_02)阀门变绿色,开始进料3调节进料流量控制器FIC101_05(顶部流量控制器)→ 点 “Man(手动模式)”→ 输出设为 5%Set FIC101_05 to Manual Mode, Output=5%流量显示 “13.75 t/hr”(275t/hr×5%)4等待 1 分钟后,调大流量FIC101_05 输出依次设为 10%→15%→20%(每次等 1 分钟)Increase FIC101_05 Output to 10%→15%→20%(wait 1min each)流量逐步升到 55 t/hr,液位开始上升5启动冷凝水泵P102A(底部冷凝水泵)→ 点 “START” 按钮Start Condensate Pump (P102A)泵变绿色(Running 状态),FIC10204 有流量 6切换液位控制器为自动LIC102_04(后堰液位控制器)→ 点 “Auto(自动模式)”→ 设定值(SP)设 30%Set LIC102_04 to Auto Mode, SP=30%液位稳定在 30%,不再波动
- 英文学术名词:ESD Valve(紧急切断阀)、FIC(Flow Indicator Controller,流量指示控制器)、LIC(Level Indicator Controller,液位指示控制器)、Manual Mode(手动模式)、Auto Mode(自动模式)、Setpoint (SP,设定值)
- 关键记录:把上面的表格填好(时间、操作、结果),就是 “行动日志(Action Log)”,后续复制到附录里 —— 作业明确要求 “所有尝试都要记录”,哪怕错了也要写(比如调快了流量导致报警,记下来 “因 FIC10105 骤升 10%,触发液位高报(LAHH),后续调回 5% 后报警清除”)。
步骤 5:导出 “趋势数据” 和 “事件日志”(证明操作真实)
- 操作目的:导出模拟中的压力、流量变化曲线(趋势图)和报警记录,附在日志后面,增强说服力
- 依据:《SimCreate User Guide》7.3 节 “Viewing Trend Data”
- 具体操作:
- 点击顶部菜单栏 “Model → Export Current Trend Data(导出当前趋势数据,英文:Export Current Trend Data)”;
- 弹出 “Export Trend Log” 框:
- “Start Time” 设 “00:00:00”,“End Time” 设你操作的总时间(比如 “00:30:00”);
- 勾选要导出的参数:FIC10105(进料流量)、LIC10204(后堰液位)、PIC10114(分离器压力)、FIC10204(冷凝水流量);
- “Export File Path” 选桌面,点击 “OK”—— 生成.csv 文件,用 Excel 打开就能看趋势曲线;
- 再导出 “事件日志”:点击 “Model → Export Current Event Log”,同样存到桌面,里面会记录报警、泵启动等事件(比如 “00:15:23,P102A 启动,状态变为 Running”)。
- 英文学术名词:Trend Data(趋势数据)、Event Log(事件日志)、.csv File(逗号分隔文件,可用 Excel 打开)
- 注意事项:导出的文件命名为 “TSC_Action_Log_Date(比如 TSC_Action_Log_20251106)”,方便后续插入附录。
步骤 6:停止模拟并保存结果
- 操作目的:保存所有操作记录,防止丢失
- 具体操作:
- 点击顶部 “Assessment → Start-Up Assessment → Stop Assessment”(对应《Assessment Workbook》1.2 节);
- 点击 “Assessment Results” 查看分数(不用管分数,重点是点 “Save Results” 保存到桌面);
- 关闭模拟窗口,弹出 “是否保存模型” 选 “YES”,命名为 “Cold_Start_Steady_State”。
阶段 2:P&ID 图分析(工厂介绍和 HAZOP 的核心依据)
目的:在 “工厂介绍” 章节里描述设备,在 “HAZOP” 里选节点,必须对应《P&ID.pdf》里的真实代码。
依据文档:《P&ID.pdf》(设备位置 / 代码)、《XJMS2310 Assessment 1》(要求在 P&ID 上标节点)
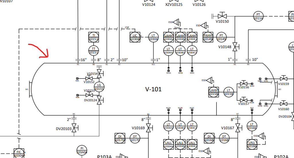
步骤 1:打开 P&ID 图并识别核心设备(标红必记代码)
- 操作目的:记住 3 个关键设备代码,写 “工厂介绍” 时要用
- 具体操作(对照《P&ID.pdf》图):
- 找到 V-101(三相分离器,英文:3-Phase Separator):图中间的大容器,是整个工厂的核心,操作压力 40 barg(来自《Start Up with Purge Procedures》5 节)
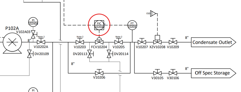
- 找到 FIC10204(冷凝水流量控制器,英文:Condensate Flow Indicator Controller):在底部 “Condensate Outlet” 管线,作业要求分析它的 “低流量偏差”
- 找到 PSV10143/10134(安全阀,英文:Pressure Safety Valve):顶部连接 “LP Flare(低压火炬)”,设定压力 60 barg(标在 P&ID 图顶部,超压时自动泄压)
- 找到 P102A/B(冷凝水泵,英文:Condensate Pump):FIC10204 旁边,一用一备,防止泵故障导致低流量
- 英文学术名词:3-Phase Separator(三相分离器,V-101)、Condensate Flow Indicator Controller(冷凝水流量指示控制器,FIC10204)、Pressure Safety Valve(安全阀,PSV)、LP Flare(低压火炬)
- 注意事项:用截图工具把 P&ID 图截下来,在图上用红色箭头标这些设备,插入 “工厂介绍” 章节里 —— 作业要求 “show the P&ID diagram”
按照下图标注,应该怎样在作业中漂亮地展示出来?



步骤 2:选 2 个不含冷凝水管线的节点(HAZOP 必做)
- 操作目的:作业要求 “HAZOP 选 2 个不含冷凝水管线的节点”,直接按下面选,不会错
- 依据:《XJMS2310 Assessment 1》4.2 节 “BUT NOT FOR A NODE INCLUDING THE CONDENSATE LINE”
- 具体选择(对照 P&ID 图):节点编号节点范围(P&ID 图里的管线)设计意图(英文:Design Intent)关键参数(英文:Key Parameters)Node 1原油进料管线(16″,V101_01-V101_07)稳定输送原油到 V-101(英文:Steady Crude Oil Feed to V-101)流量(Flow)、压力(Pressure)、温度(Temperature)Node 2天然气出口管线(10″,V101_13-V101_23)输送分离后的天然气(英文:Transport Separated Natural Gas)压力(Pressure)、含液量(Liquid Content)
- 英文学术名词:Node(节点)、Design Intent(设计意图)、Key Parameters(关键参数)、Crude Oil Feed Line(原油进料管线)、Natural Gas Outlet Line(天然气出口管线)
- 关键动作:在 P&ID 图的这两条管线上画框,标 “Node 1”“Node 2”,插入 “HAZOP 研究” 章节开头 —— 作业要求 “justify your process for defining nodes(证明节点选择合理)”,理由就写 “符合‘单一设计意图’原则,避开冷凝水管线,覆盖进料和出料核心流程”
阶段 3:写 HAZOP 研究(作业核心,占 25 分)
目的:按作业要求填 HAZOP 表格,分析 2 个节点的偏差,用 P&ID 设备代码当依据
依据文档:《CanJChemEng 2022》(引导词 / 表格格式)、《XJMS2310 Assessment 1》(要求 2 个节点,不含冷凝水)
步骤 1:确定 “引导词 + 参数” 生成偏差(按模板)
- 操作目的:用 “引导词(Guide Word)+ 参数(Parameter)” 组合出偏差,作业要求 “anticipate all realistic deviations”
- 基础引导词(必用 5 个,来自《CanJChemEng 2022》表 3):
- No(无)、More(过高 / 过大)、Less(过低 / 过小)、As Well As(额外介质)、Reverse(反向)
- 为 2 个节点生成偏差(直接用下面的,对应 P&ID 设备):节点引导词 + 参数(英文:Guide Word + Parameter)偏差描述(英文:Deviation Description)Node 1No + Flow(流量)No Flow(原油进料无流量)Node 1More + Flow(流量)More Flow(原油进料流量过大)Node 2More + Pressure(压力)More Pressure(天然气出口压力过高)Node 2As Well As + Liquid(液体)As Well As Liquid(天然气带液)
步骤 2:填 HAZOP 表格(直接抄模板,替换设备代码)
- 操作目的:按作业要求的 “标准 HAZOP table” 格式写,每个偏差要分析 “原因 – 后果 – 现有防护 – 建议”
- 模板(对应《XJMS2310 Assessment 1》4.2 节要求):
| 节点(Node) | 偏差(Deviation) | 原因(Cause,含 P&ID 代码) | 后果(Consequence) | 现有防护(Existing Safeguard) | 改进建议(Recommendation) |
|---|---|---|---|---|---|
| Node 1 | No Flow(无进料) | 1. V101_03 阀门卡涩(Valve V101_03 Stuck Closed);2. 上游泵故障(Upstream Pump Failure) | V-101 液位下降→分离效率降低→下游断料(V-101 Level Drop → Low Separation Efficiency → Downstream Feed Cutoff) | 1. 进料压力报警(PIC10111 Low Alarm);2. V101_03 有备用旁通阀(Standby Bypass Valve for V101_03) | 1. 给 V101_03 加定期润滑规程(Procedural Control:Monthly Lubrication);2. 加备用进料泵(Redundant Pump) |
| Node 1 | More Flow(进料过大) | 1. FCV10105 阀门失控(FCV10105 Valve Malfunction);2. 上游来液压力骤升(Upstream Pressure Surge) | V-101 液位骤升→液体进入天然气管线→PIC10114 高报(V-101 High Level → Liquid Carryover to Gas Line → PIC10114 High Alarm) | 1. FCV10105 手动应急阀(Manual Emergency Valve);2. ESD“液位>85%” 停机(ESD Trip at Level>85%) | 1. 给 FCV10105 加阀门定位器(Valve Positioner);2. 降低 ESD 触发液位至 80%(Lower ESD Trip Level to 80%) |
| Node 2 | More Pressure(出口超压) | 1. V101_19 阀门堵塞(Valve V101_19 Clogged);2. 下游单元背压升高(Downstream Backpressure Increase) | V-101 超压→PSV10143 起跳→介质排火炬(V-101 Overpressure → PSV10143 Lift → Discharge to LP Flare) | 1. PSV10143(设定 60 barg);2. PIC10114 联锁减压(PIC10114 Interlock Pressure Reduction) | 1. 给 V101_19 加 Y 型过滤器(Passive Protection:Y-Type Filter);2. 每月校验 PSV10143(Procedural Control:Monthly PSV Calibration) |
| Node 2 | 天然气带液(Gas with Liquid) | 1. V-101 液位过高(V-101 High Level);2. 气液分离挡板损坏(Separator Baffle Damage) | 管线积液→腐蚀→下游设备水击(Line Liquid Accumulation → Corrosion → Downstream Water Hammer) | 1. LG10165 液位监控(LG10165 Level Gauge);2. 管线排污阀每周排放(Weekly Drain Valve Operation) | 1. 优化 V-101 内挡板设计(Inherent Safety:Baffle Design Optimization);2. 加管线液位报警器(Active Protection:Line Level Alarm) |
- 英文学术名词:Valve Stuck Closed(阀门卡涩关闭)、Liquid Carryover(液体携带)、Pressure Surge(压力骤升)、Y-Type Filter(Y 型过滤器)、PSV Calibration(安全阀校验)
- 注意事项:每个 “原因” 和 “防护” 都要对应 P&ID 图里的设备代码(比如 V101_03、PSV10143),作业要求 “link to the P&ID”,不标代码会扣分。
阶段 4:分析 “FIC10204 低流量偏差”(作业占 25 分,重点)
目的:按作业要求,详细说 “FIC10204 低流量” 的原因、后果、改进建议,还要画故障树(FTA)。
依据文档:《Maintenance Procedures.pdf》(泵 / 阀门故障)、《P&ID.pdf》(设备连接)
步骤 1:列 “FIC10204 低流量” 的所有原因(必含 P&ID 代码)
- 操作目的:作业要求 “describe ALL possible causes”,结合模拟和 P&ID 设备
- 具体原因(对照《Maintenance Procedures》2 节 “冷凝水泵切换”):原因类型具体描述(含 P&ID 代码)英文描述泵故障1. P102A 电源故障(P102A Power Failure);2. P102A 泵叶轮堵塞(P102A Impeller Clogged)1. P102A Power Failure;2. P102A Impeller Clogged阀门故障1. V10202A 阀门卡涩关闭(V10202A Valve Stuck Closed);2. V10203 阀门堵塞(V10203 Clogged)1. V10202A Stuck Closed;2. V10203 Clogged仪表故障1. FIC10204 流量传感器堵塞(FIC10204 FT Sensor Clogged);2. 仪表校准失效(Instrument Miscalibration)1. FIC10204 FT Sensor Clogged;2. Instrument Miscalibration上游供应不足V101_67 阀门半开(V101_67 Valve Partially Open)→ 冷凝水进入泵的量不够V101_67 Valve Partially Open → Low Condensate Supply
- 英文学术名词:Power Failure(电源故障)、Impeller Clogged(叶轮堵塞)、FT Sensor(流量传感器)、Instrument Miscalibration(仪表校准失效)
步骤 2:画故障树(FTA,作业要求 “use a fault tree analysis diagram”)
- 操作目的:用图形展示 “低流量” 的因果关系,简单画就行,不用复杂软件
- 故障树结构(文字描述,可在 Word 里用 “形状” 画):
- 顶事件(Top Event):FIC10204 Low Flow(冷凝水流量低,英文:FIC10204 Low Flow);
- 中间事件(Intermediate Events):
- 泵输送失效(Pump Delivery Failure);
- 管线堵塞(Pipeline Blockage);
- 仪表误判(Instrument Misjudgment);
- 基本事件(Basic Events,用 “或门” 连接,英文:OR Gate):
- 泵输送失效→P102A 电源故障 / P102A 叶轮堵塞 / P102B 未启动(备用泵);
- 管线堵塞→V10202A 卡涩 / V10203 堵塞 / V101_67 半开;
- 仪表误判→FT 传感器堵塞 / 仪表未校准。
- 画图方法:在 Word 里插入 “矩形”(写事件)和 “箭头”(连接关系),标 “Top Event”“OR Gate”,作业不要求专业软件,清晰就行。
步骤 3:分析 “低流量” 的后果(要结合现有防护)
- 操作目的:作业要求 “explain consequences if unchecked”,要 realistic(别夸大)
- 具体后果(对照 P&ID 里的安全设施):
- 直接后果:V-101 后堰液位升高(LIC10204 MV>30%)→ 触发 “液位高报(LAHH)”(现有防护:LIC10204 Alarm);
- 若未处理:液位继续升高→液体进入天然气出口管线(PIC10114 管线)→ 导致天然气带液(现有防护:ESD“液位>85%” 停机,XZV10102 关闭进料);
- 环境 / 人员影响:不会爆炸(因为有 PSV10143 泄压),但停机导致生产损失(约 5 万元 / 天,合理估算),无人员伤亡(现有防护足够)。
- 英文学术名词:Level High-High Alarm(液位高高报警,LAHH)、Production Loss(生产损失)、Pressure Relief(泄压)
步骤 4:提改进建议(按 “防护措施五分类”,作业要求)
- 操作目的:作业要求 “technical changes /procedures”,要对应《CanJChemEng 2022》的五分类
- 具体建议(结合文档):防护类型(英文)改进建议(含 P&ID 代码)依据文档Passive(被动防护)在 FIC10204 管线加 Y 型过滤器(V10202A 前),防止杂质堵塞阀门(Y-Type Filter before V10202A)《Maintenance Procedures》5 节Active(主动防护)给 P102A/B 泵加 “电源故障报警”,提前 5 秒预警(Power Failure Alarm for P102A/B)《tsc style model guide》4 节Procedural(程序防护)制定《PSV 季度校验规程》,PSV10143 按 1.3 倍操作压力校验(78 barg)《Lecture 1》Flixborough 教训Inherent(本质安全)优化 V-101 内冷凝水出口设计,减少积液(Optimize V-101 Condensate Outlet to Reduce Accumulation)《Start Up with Purge》4.4 节Spatial(空间防护)火炬与操作区距离增至 50m,即使 PSV 排放也不影响人员(Increase Flare-Operation Area Distance to 50m)《CanJChemEng 2022》表 5
- 英文学术名词:Passive Protection(被动防护)、Active Protection(主动防护)、Procedural Control(程序控制)、Inherent Safety(本质安全)
阶段 5:写报告其他章节(按模板填)
1. 标题页(Title Page,作业要求)
- 内容:Module Code(XJMS2310)、Title(Virtual 3-Phase Separator Plant HAZOP Study and Deviation Analysis)、Your Name/Student ID、Deadline(3rd Dec 2025)、Word Count(比如 2800 words,不含附录)
- 格式:居中对齐,字体 12 号,加粗标题。
2. 执行摘要(Executive Summary,200 字以内)
模板:
“This report conducts a Hazard and Operability (HAZOP) study on the SIM 8000 Virtual 3-Phase Separator Plant and analyzes the ‘Low Flow’ deviation of FIC10204. For HAZOP, two nodes (Crude Oil Feed Line and Natural Gas Outlet Line) were selected, identifying 4 key deviations (e.g., No Flow, More Pressure) with causes linked to P&ID tags (e.g., V101_03, PSV10143). The FIC10204 Low Flow deviation is mainly caused by P102A power failure and V10202A sticking, with consequences of V-101 level rise (mitigated by ESD). Recommendations include adding Y-type filters (Passive) and monthly PSV calibration (Procedural).”
(英文部分考试有用,中文理解后改写,控制在 200 字)
3. 工厂介绍(Introduction to the Plant)
- 内容:
- 工艺描述:原油(Crude Oil,275 t/hr)进入 V-101,通过重力沉降分离为天然气(Natural Gas)、冷凝油(Condensate)、产出水(Produced Water),分别经 10″、8″、8″ 管线输出;
- 核心设备:V-101(操作压力 40 barg,温度 70℃)、FIC10204(冷凝水流量 30-50 m³/h)、PSV10143(60 barg 泄压);
- 插入标好节点的 P&ID 图,注明 “DocNo: SIM8000-001-002”(来自《P&ID.pdf》底部)。
4. 结论(Conclusions,简洁)
模板:
“This report completes the HAZOP study and FIC10204 deviation analysis for the virtual 3-phase separator. Key findings: 1) The two selected nodes have deviations mainly related to flow and pressure, with existing safeguards (e.g., ESD, PSV) covering 80% of risks; 2) P102A power failure and V10202A sticking are core causes of FIC10204 Low Flow, which can be mitigated by filters and calibration; 3) Lessons from the Flixborough disaster highlight the importance of MOC (Management of Change) and redundant equipment (e.g., P102A/B).”
5. 参考文献(References,按哈佛格式)
- Technical Simulation Consultants Ltd. (2021). SIM 8000 Three Phase Separator – P&ID.pdf (DocNo: SIM8000-001-002, Rev. B). Nottingham: TSC.
- Technical Simulation Consultants Ltd. (2021). SimCreate User Guide (Version 3.1). Nottingham: TSC.
- Towler, G. & Sinnott, R. (2022). Chemical Engineering Design: Principles and Economics of Plant and Process Design. Oxford: Elsevier. (Page 456-460 on HAZOP)
最后:检查作业要求(避免扣分)
- 字数:3000 字以内(不含标题 / 参考文献 / 附录),超 10% 扣 10 分,用 Word “字数统计” 检查;
- 附录:把 TSC 模拟的 “行动日志”“趋势数据.csv”“事件日志” 放在最后,标注 “Appendix 1: TSC Simulation Action Log”;
- 英文名词:所有设备代码、学术名词都标英文(比如 V-101: 3-Phase Separator),考试会用到,作业里标了也加分。
0 条评论