这份图纸主要对应Three Phase Separator系统,用于分离Crude Oil、Natural Gas和Produced Water.
设备仪器
Three Phase Separator V-101

这是整个系统的 “心脏”,作用是把混合在一起的 “原油、天然气、水” 三种流体分开(所以叫 “三相”),图纸中用 “V-101” 标注(V 是 “容器,Vessel” 的缩写,101 是设备编号);所有管道、阀门、仪表都是围绕它来设计的.
Fluid Inlets & Outlets

这些是 “物料进来” 和 “分离后产物出去” 的通道,标注了管道尺寸(英寸,Inch),尺寸越大,能输送的流体越多:
- 原油入口(Crude Oil Inlet):16 英寸(16″)作用:把待分离的原油混合液输送到核心设备 V-101 里,是整个系统的 “原料入口”
- 天然气出口(Natural Gas Outlet):16 英寸(16″)作用:原油中的天然气被分离后,从这里排出系统(比如送去后续处理或利用)
- 凝液出口(Condensate Outlet):8 英寸(8″)作用:分离过程中会产生 “凝液”(比如天然气冷却后变成的液体),从这里排出
- 产出水出口(Produced Water Outlet):8 英寸(8″)作用:原油中的水分被分离后,从这里排出(通常需要进一步处理,不能直接排放)
Valves:控制流体 “开 / 关” 或 “流量大小”
普通截止阀 Globe Valve/Stop Valve:用 “V + 数字” 表示
最常用的阀门,只能 “全开” 或 “全关”,控制流体是否通过,比如:
- V10130、V10131、V10135 等:分布在原油入口、天然气出口等管道上,平时打开让流体通过,维修时关闭切断流体
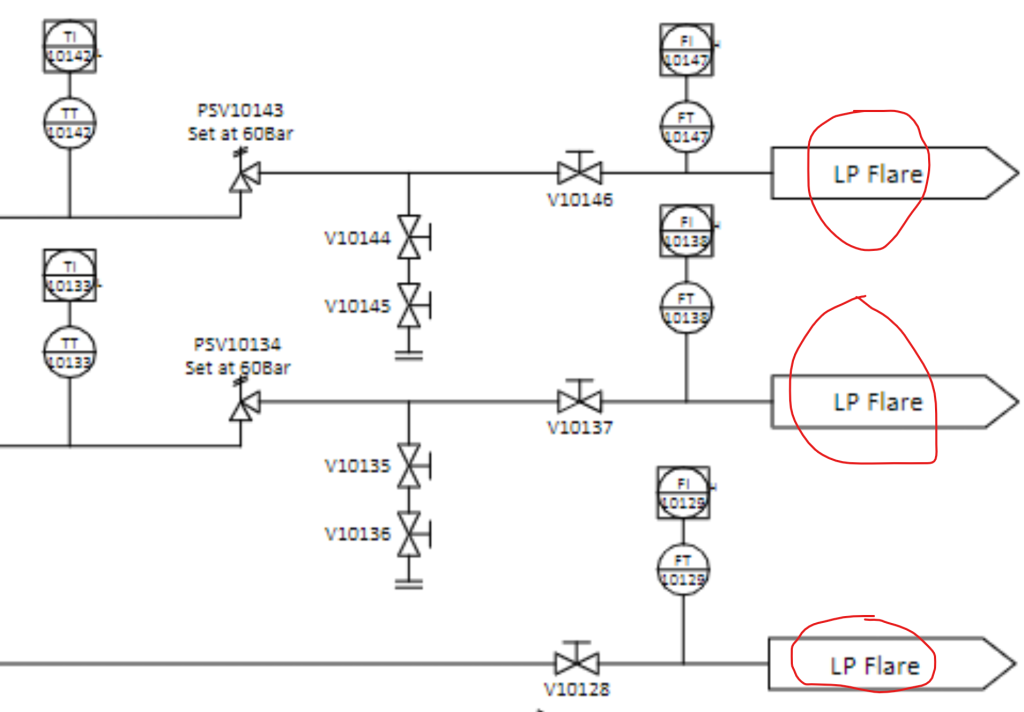
- V10144、V10145(连接 LP Flare):紧急情况下打开,把危险气体排到火炬系统
电磁阀 Solenoid Valve:用 “XZV + 数字” 表示
靠电信号控制开关,比如 XZV10102、XZV10122、XZV10208:
作用:配合 “紧急停车系统(ESD)”,一旦系统出故障(比如压力过高),ESD 会给电磁阀发信号,让它快速关闭,切断危险流体.


压力控制阀 Pressure Control Valve:PCV10114
“PCV” 是 “Pressure Control Valve” 的缩写,作用是自动调节管道内的压力:比如当 V-101 内压力过高时,它会自动打开泄压;压力过低时,自动关闭保压,保证系统压力稳定.
流量控制阀 Flow Control Valve:FCV10204、FCV10304
“FCV” 是 “Flow Control Valve” 的缩写,作用是自动调节流体的流量:比如控制 “产出水出口” 的水流速度,避免流量过大导致后续设备过载.

排水阀 Drain Valve:用 “DV + 数字” 表示
“DV” 是 “Drain Valve” 的缩写,比如 DV20101、DV20103、DV20113 等:
作用:排出管道或设备内的 “积水、废液”(比如停机后排空管道里的残留液体,防止冻裂或腐蚀)

Instruments:监测系统的 “压力、温度、液位”
Temperature Instrument:T、TT
- “T”:温度点(Temperature Point),比如图纸中的 “T”,表示在这里测量温度(比如原油入口的温度)
- “TT”:温度变送器(Temperature Transmitter),“TT” 会把测得的温度信号转换成电信号,传给控制室(比如温度过高时报警)

Level Instrument:LT、LG、LALL
- “LT”:液位变送器(Level Transmitter),比如 LT10158,安装在 V-101 上,测量分离器内 “液体的高度”(比如原油液面不能太高,否则会溢到天然气出口)
- “LG”:液位视镜(Level Gauge),比如 LG10155、LG,是 “看得见的液位计”,操作人员可以直接通过玻璃看到 V-101 内的液面高度
- “LALL”:低低液位报警(Low-Low Level Alarm),属于 ESD 的一部分 —— 如果 V-101 内液面过低(比如液体漏了),LALL 会触发报警,甚至让系统紧急停车

Pressure Instrument:PI
“PI” 是 “Pressure Indicator” 的缩写,比如 PI102A04,安装在泵(P102A)的出口管道上,显示管道内的压力(比如泵出口压力是否正常,过高可能说明管道堵了)
安全系统:防止事故的 “保护装置”
工厂运行最怕 “压力过高、气体泄漏”,这些系统是 “安全阀”:
Pressure Safety Valve,PSV
作用:当管道或设备内压力超过 “设定值” 时,PSV 会自动打开泄压,防止设备爆炸,是 “最后一道安全防线”:
- PSV10143:设定压力(Set at)60 bar,连接到 LP Flare
- PSV10134:同样设定压力 60 bar,也连接到 LP Flare

Low Pressure Flare,LP Flare
“Flare” 是 “火炬”,作用是:当 PSV 泄压排出 “易燃气体”(比如天然气)时,这些气体不能直接排到空气里(会爆炸或污染),所以送到 LP Flare 里 “烧掉”(火炬会把气体点燃,变成无害的二氧化碳和水)
图纸中多次出现 “LP Flare”,都是连接 PSV 或紧急排放阀的

Emergency Shutdown System,ESD
图纸中多处标注 “ESD”,是 “紧急情况下让系统停下” 的装置:
比如压力过高(PSV 没来得及泄压)、液位异常(LALL 报警)、气体泄漏时,ESD 会触发 —— 关闭关键阀门(比如 XZV 系列)、停泵,防止事故扩大.
辅助系统:保障系统 “正常运行” 和 “处理废物”
这些系统不是 “核心生产”,但缺一不可:
Nitrogen Purge
标注 “Nitrogen Purge 2″”(2 英寸管道),作用:Nitrogen 是 “惰性气体”(不燃烧、不反应),用氮气吹扫管道或 V-101,能把里面的 “空气(尤其是氧气)” 赶走 —— 防止空气和天然气混合后爆炸,也能防止设备内部生锈(氧气会让金属腐蚀)

Pump,P
“P + 数字” 是泵,作用是 “输送流体”(比如液体需要克服阻力才能流动,泵提供动力):
- P102A、P102B:是 “备用泵”(A 泵正常运行,B 泵备用,A 坏了 B 马上启动,保证不停车),对应凝液出口的输送
- P103A、P103B:同样是备用泵,对应产出水出口的输送
Off Spec Storage
“Off Spec” 是 “Off Specification”(不符合规格)的缩写,作用:如果分离后的原油、凝液等 “不合格”(比如水分含量太高),就先送到这里暂时储存,等后续处理合格后再用
Closed Drains D-201
“Drains” 是 “排放”,“Closed” 是 “闭式”(不与空气接触),作用:收集系统内的 “废液、残液”(比如 DV 排水阀排出的水),集中送到 D-201(D 是 “罐,Drum” 的缩写),避免废液直接排放污染环境
Vessel,V301 系列
比如 V30101、V30103、V30105 等,是 “辅助容器”:可能用来储存少量流体、缓冲压力,或作为火炬系统的辅助设备(比如分离火炬气体中的液体)
Workflow
- 16 英寸的原油入口把 “原油混合液” 送进 V-101(三相分离器)
- V-101 把混合液分成 “天然气、原油、水” 三种
- 天然气从 16 英寸出口排出,原油 / 凝液从 8 英寸凝液出口排出(靠 P102A/B 泵输送),水从 8 英寸产出水出口排出(靠 P103A/B 泵输送)
- 过程中,LT/LG 监测液位、PI 监测压力、TT 监测温度,有异常就报警
- 若压力超过 60 bar,PSV 自动打开,把气体排到 LP Flare 烧掉
- 若出大故障(比如泄漏),ESD 紧急停车,关闭关键阀门、停泵
- 废液排到 D-201(闭式排放),不合格品存到 Off Spec Storage
HAZOP分析
组建HAZOP分析团队(虚拟?还是学校分组?)
- Process Engineer:懂三相分离器的分离原理,能解释 PID 里的物料流向
- Instrument Engineer:熟悉 PID 里的仪表(如 LT10158 液位变送器、PI102A04 压力表)
- Equipment Engineer:了解泵(P102A/B)、阀门(V10130)的故障模式
- Safety Engineer:能判断偏差的安全后果(如 PSV10134 安全阀的作用)
- Scribe:负责整理 HAZOP 表格(作业核心交付物)
明确分析范围
In-Scope
分析范围是三相分离器V-101及其直接关联系统:
- 进料:原油入口(Crude Oil Inlet,16 英寸管道 + V10130/V10131)
- 出料:天然气出口(Natural Gas Outlet,16 英寸管道 + PCV10114)、产出水出口(Produced Water Outlet,8 英寸管道 + P103A/B)
- 安全系统:PSV10134/PSV10143 安全阀、LP Flare(低压火炬)、ESD(紧急停车系统)
Out-Scope
与 V-101 无直接关联的系统,如 Off Spec Storage 的 V30105/V30106 容器(仅临时存料,非分离核心)、远处的闭式排放 D-201(仅收集废液,不影响分离过程)
TSC模拟这一部分,8000打开以后似乎就是three-phase separator,和作业给出的PID非常相似.
对阀门,在PID界面改变参数以后,在trends界面可以看到改变.
0 条评论